- 产品名称:RC3-2000V
- 所属分类:RC系列
- 在线预订
- 详细介绍
阻容装置 RC 系列
◆概述
RC系列阻容装置有2000和1000两个规格,分别适用于电压1140V、660V及以下的交流系统中,使用时将三个接线端子分别与真空开关负载侧三相主回路端子相联,用以调整回路的频率特性,避免高频振荡,从而抑制过电压。
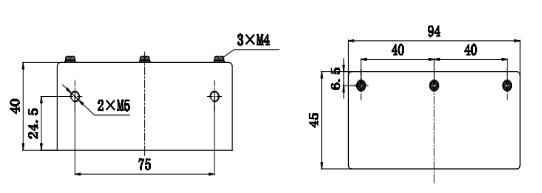
产品外型尺寸 Outline and mounting dimension |

本文网址:http://www.ksanping.com/product/646.html
关键词:
上一篇:没有了
下一篇:RC3-1000V

