- 产品名称:TBP-D-1.5
- 所属分类:TBP 系列
- 在线预订
- 详细介绍
组合式过压保护器 TBP 系列
◆概述
TBP 系列组合式过电压保护器是一种高性能过电压吸收装置,适用于 10kV及以下电力系统中,主要应用于发电、供电和企业的用电系统中,对电机、变压器、开关、母线、电容器等电气设备除了限制大气过电压外,同时也可限制电力系统的操作过电压,对相间和相对地的过电压均能起到可靠的限制作用。
产品技术参数 technical specification | |||
额定电压 | Rated Voltage | V | 1500 |
标称放电电流 | nominal discharge current | kA | 2.5 |
直流1mA参考电压 | DC 1mA reference voltage | kV | 2.5≤相-相≤3.0 |
0.75倍直流参考电压下泄漏电流 | leakage current at 0.75 D. C reference voltage | uA | ≤50 |
陡波冲击电流下的残压 | Residual voltage under steep wave impulse current | kV | 相-相≤4.67 |
雷电冲击电流下的残压 | Residual voltage under lightning impulse current | kV | 相-相≤4.17 |
操作冲击电流下的残压 | Residual voltage under impulse current operation | kV | 相-相≤3.35 |
方波冲击电流耐受 | Square wave impulse current tolerance | 2ms方波电流200A 耐受18次 | |
大电流冲击耐受 | High current impulse withstand | 4/10 uS,20 kA,2次 | |
工频电压耐受时间特性 | Characteristics of power frequency voltage withstand time | 1.15Ur*0.1s;1.0Ur*2000s;0.9Ur*3000s | |
重量 | Weight | Kg | 0.4 |
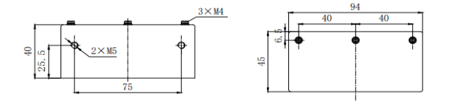
产品外形尺寸 Outline and mounting dimension | |||

本文网址:http://www.ksanping.com/product/639.html
关键词:
上一篇:TBP-D-3
下一篇:没有了

