- 产品名称:ZKY6-630/1.14
- 所属分类:ZKY系列
- 在线预订
- 详细介绍
永磁真空断路器ZKY系列
◆概述
ZKY 系列永磁真空断路器,适用于交流 50Hz,额定电压 1140V(660V) 及以下等级,额定电流 630A 及以下电流等级的线路中,作为供电系统的总开关、分支开关,也可作为大容量电动机的不频繁起动之用。并适宜于各种保护装置组成各种配电开关,特别适宜于组成煤矿隔爆型真空馈电开关。
产品技术参数 technical specification | |||
额定电流 | Rated Current | A | 630 |
额定电压 | Rated Voltage | kV | 1.14/0.66 |
额定短路开断电流 | Rated Short-circuit Breaking Current | kA | 12.5/15 |
固有分闸时间 | Inherent opening time | ms | ≦15 |
合闸时间 | Closing time | ms | ≦30 |
合闸弹跳时间 | Closing Bounce time | ms | ≦2 |
机械寿命 | Mechanical Life | 次 times | ≥30000 |
电寿命 | Electric Life | 次 times | 15000 |
控制电源电压 | Control Power Voltage | V(AC) | 127 |
断路器工作时所需功率 | power required for circuit breaker operation | W | ≦70 |
辅助触点 | Auxiliary switch | 三对常开、两对常闭 3NO,2NC | |
辅助触点容量 | Auxiliary contact capacity | AC-15: Ue:AC380V Ie:0.7A DC-13: Ue:DC220V Ie:0.1A | |
重量 | Weight | Kg | 13 |
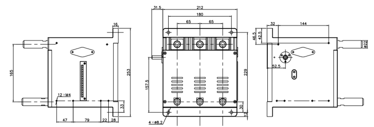
产品外型尺寸 Outline and mounting dimension | |||

本文网址:http://www.ksanping.com/product/638.html
关键词:
上一篇:没有了
下一篇:ZKY6-400/1.14

