- 产品名称:CKJ5A-160(125)A 1.5kV
- 所属分类:CKJ5A系列
- 在线预订
- 详细介绍
交流真空接触器CKJ5A系列
◆概述
CKJ5A系列真空交流接触器,主要用于交流50Hz,额定工作电压至1500V,额定工作电流至630A的电路中,供远距离接通和分断电路之用,并可与适当的热过载继电器或电子保护器等有关保护装置组成真空电磁起动器,特别适用于组成隔爆型真空电磁起动器。
本接触器符合 (GB14048.4、IEC60947-4-1)标准。
产品技术参数 technical specification | |||
额定电流 | Rated Current | A | 160(125) |
额定电压 | Rated Voltage | kV | 1.5 |
额定接通能力 | Rated Making Capacity | A/50次(A/50 times) | 1920/1500 |
额定分断能力 | Rated Breaking Capacity | A/50次(A/50 times) | 1600/1250 |
吸合功率 | Pick-up power | VA(瞬态,transient) | 300 |
保持功率 | Hold Power | W | 18 |
机械寿命 | Mechanical Life | 次 times | 1×106 |
电寿命 | Electric Life | 次 times | 6×104 |
控制电源电压 | Control Power Voltage | V(AC) | 36、127、220可定制 |
辅助触点 | Auxiliary switch | 两对常开、两对常闭 2NO,2NC | |
辅助触点容量 | Auxiliary contact capacity | AC-15:Ue:AC220V Ie:3A DC-13:Ue:DC36V Ie:1A | |
重量 | Weight | Kg | 3.7 |
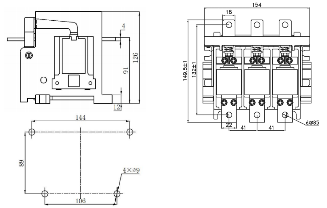
产品外型尺寸 Outline and mounting dimension | |||

本文网址:http://www.ksanping.com/product/611.html
关键词:
上一篇:没有了
下一篇:没有了

